淘宝店铺

官方咨询热线:
157-9327-4641

推力轴承

专注精密传动,助推国产替代
当前位置:首页 > 产品中心 > 推力轴承

产品中心Product

推力轴承

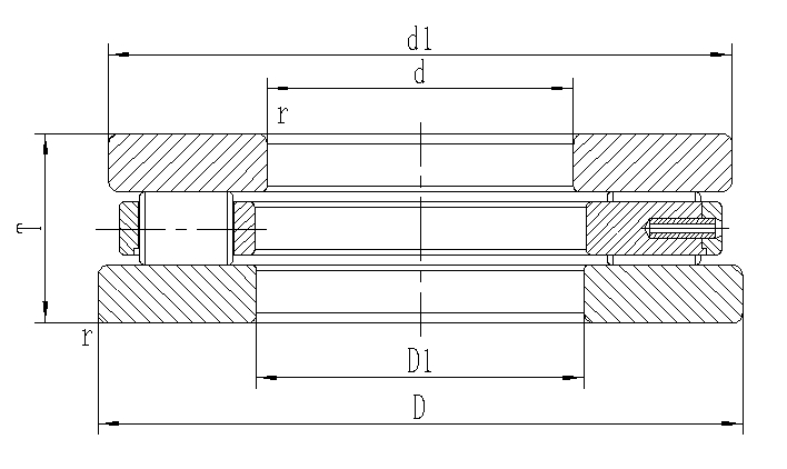
推力滚子轴承

分类:推力轴承

卖点:高精度,高转速,高承载

优势:支持非标定制

产品特性:高转速,高精度、低噪音,可承受轴向力。

联系电话:157-9327-4641(微信同号) 在线留言联系我们

型号列表

(表格显示不全的话,可左右拖动查看)

轴承型号外形尺寸/mm额定负荷/KN重量/Kg
dDTCaCoa
8111050701442.51460.14
8121050782291.53000.36
8111155781669.52850.22
812115590251163650.57
81112608517803000.27
812126095261374650.64
81113659018833200.31
8121365100271404900.72
8111470951886.53450.33
8121470105271465300.77
811157510019752900.38
8121575110271254400.81
81116801051976.53000.4
8121680115281606100.9
81117851101976.53100.42
8121785125311535501.3
8111890120221044150.64
8121890135352328651.75
81120100135251465851
81220100150382248302.2
81122110145251536301.1
81222110160382409152.45
81124120155251606801.15
81224120170392459652.7
81126130170301837801.7
812261301904533512504.2
81128140180311938501.95
812281402004636014004.55
81130150190312009002.05
812301502155046519005.9
81132160200312049652.2
812321602255148020006.2
811341702153426011802.95
812341702405554022807.7
811361802253427012703.05
812361802505655024008.25
811381902403731014603.85
8123819027062695290010.5
811402002503731015004
8124020028062720310012
811442202703733517004.5
8124422030063750335013
811482403004547524507.25
81248240340781100490022
811522603204549026007.85
81252260360791140530024
8115628035053680355010.5
81256280380801160550024
8116030038062850440016.5
81260300420951530720040.5
8116432040063880465018
81264320440951560750042.5
8116834042064900490019.5
81268340460961630800047
8117236044065915500019.5
8127236050011021601040065.5
8117638046065930530022
8127638052011222001080070
8118040048065965560023
8128040054011222401120073
8118442050065980585024
8128442058013028501400095.5
81188440540801430800039.5
81288440600130290014600110
81192460560801460850041
81292460620130300015300118
81196480580801460865043
81296480650135335017000128
811/500500600801530915044
812/500500670135340017600133
811/5305306408517001040055.5
812/530530710140380020000154
811/5605606708517601080058
812/560560750150390020800187
811/6006007108517601120062
812/600600800160440024000240
811/6306307509521601370080
812/630630850175480026000295
811/670670800105255016300110
812/670670900180570030500335
811/800800950120345022000165
811/9009001060130400027000210
811/106010601250150530036500225
811/112011201320160600041500410


157-9327-4641