型号列表
(表格显示不全的话,可左右拖动查看)
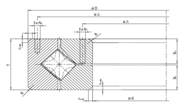
| 公称型号 | 基本尺寸(mm) | 极限转速 | 基本额定负荷(KN) | 重量 | ||||||
| 内径 | 外径 | 高度 | 倒角 | 径向 | 轴向 | |||||
| d | D | T | r | r/min | 动载荷Cr | 静载荷Cor | 动载荷Ca | 静载荷Coa | kg | |
| JXR637050 | 300 | 400 | 37.0 | 1.5 | 720 | 63.0 | 122.0 | 80.1 | 236.0 | 13.0 |
| JXR635070 | 300 | 400 | 38 | 1.5 | 560 | 63.0 | 122.0 | 80.1 | 236.0 | 13 |
| JXR678054 | 300 | 480 | 60 | 1.5 | 600 | 89.0 | 170.7 | 109.6 | 330.5 | 38 |
| JXR652050 | 310 | 425 | 45.0 | 2.5 | 640 | 82.2 | 162.5 | 102.0 | 303.8 | 20.0 |
| JXR699050 | 370 | 495 | 50.0 | 3.0 | 600 | 93.6 | 193.0 | 119.0 | 373.0 | 30.0 |
| XR496051 | 203.2 | 279.4 | 31.75 | 1.5 | 800 | 51.2 | 87.5 | 61.4 | 159.5 | 6.5 |
| XR678052 | 330.2 | 457.2 | 63.5 | 3.3 | 620 | 100.0 | 195.1 | 123.0 | 376.1 | 36.2 |
| XR766051 | 457.2 | 609.6 | 63.5 | 3.3 | 520 | 141.0 | 304.6 | 178.0 | 518.7 | 58.0 |
| XR820060 | 580.0 | 760.0 | 80.0 | 6.4 | 300 | 215.0 | 473.3 | 234.0 | 782.9 | 106.0 |
| XR855053 | 685.8 | 914.4 | 79.375 | 3.3 | 260 | 270.0 | 646.7 | 343.0 | 1238.6 | 154.0 |
| XR882055 | 901.7 | 1117.6 | 82.55 | 3.3 | 200 | 300.0 | 792.3 | 395.0 | 1600.0 | 204.0 |
| XR889058 | 1028.7 | 1327.2 | 114.3 | 3.3 | 160 | 405.0 | 1090.0 | 534.0 | 2163.3 | 408.0 |
| XR897051 | 1879.6 | 2197.1 | 101.6 | 3.3 | 80 | 516.0 | 1662.4 | 698.0 | 3472.0 | 756.0 |
| BFKB353243/HA4 | 150 | 230 | 30 | 1 | 1100 | 95.2 | 156 | 111 | 279 | 4.9 |
| BFKB353240/HA4 | 160 | 240 | 30 | 1.1 | 1000 | 96.8 | 162 | 118 | 300 | 5.15 |
| BFKB353203/HA4 | 240 | 300 | 30 | 1 | 750 | 88 | 184 | 114 | 361 | 5.4 |
| BFKB353212/HA4 | 250 | 310 | 25 | 1 | 700 | 88 | 188 | 114 | 361 | 4.5 |
| BFKB353215/HA4 | 250 | 350 | 40 | 1.3 | 670 | 187 | 355 | 228 | 657 | 13 |
| 616094A | 300 | 400 | 38 | 1.5 | 560 | 183 | 355 | 223 | 657 | 12.5 |
| BFKB634097 | 310 | 425 | 45 | 2.5 | 640 | 216 | 427 | 281 | 837 | 19.5 |
| 615661A | 330 | 457 | 63.5 | 3.3 | 620 | 264 | 515 | 312 | 954 | 32 |
| BFKB353216/HA4 | 350 | 470 | 50 | 3.3 | 560 | 308 | 635 | 376 | 1180 | 27 |
| BFKB353224/HA4 | 400 | 480 | 40 | 1.1 | 430 | 216 | 497 | 281 | 957 | 15 |
| BFKB353219/HA4 | 400 | 550 | 60 | 2.5 | 400 | 429 | 920 | 523 | 1700 | 46.5 |
| 615894A | 457.2 | 609.6 | 63.5 | 3.3 | 420 | 396 | 856 | 514 | 1680 | 51 |
| 615662A | 580 | 760 | 80 | 3.3 | 300 | 627 | 1380 | 765 | 2560 | 100 |
| 615659A | 685.8 | 914.4 | 79.375 | 3.3 | 260 | 693 | 1660 | 900 | 3250 | 150 |
| 615895A | 901.7 | 1117.6 | 82.555 | 3.3 | 200 | 781 | 2060 | 1060 | 4290 | 185 |
| BFKB353251/HA4 | 950 | 1170 | 85 | 3.3 | 215 | 968 | 2690 | 1310 | 5600 | 215 |
| BFKB353282/HA4 | 1028.7 | 1327.15 | 114.3 | 3.3 | 430 | 1230 | 3310 | 1600 | 6490 | 430 |
| 615897A | 1270 | 1524 | 95.25 | 1.8 | 95 | 1300 | 3830 | 1760 | 2980 | 350 |
| 615898A | 1549.4 | 1828.8 | 101.6 | 3.3 | 80 | 1400 | 4510 | 1890 | 9400 | 500 |
| 615899A | 1879.6 | 2197.1 | 101.6 | 5.4 | 43 | 1510 | 5240 | 2040 | 10900 | 675 |
| 634078A | 2463.8 | 2819.4 | 114.3 | 5.4 | 19 | 2330 | 8740 | 3150 | 18200 | 1130 |
| XD.10.0457P5 | 457.2 | 609.6 | 63.5 | 3.5 | 300 | 410 | 770 | 435 | 1660 | 51 |
| XD.10.0580P5 | 580 | 760 | 80 | 6.4 | 190 | 810 | 1530 | 640 | 3240 | 100 |
| XD.10.0686P5 | 685.8 | 914.4 | 79.375 | 3.5 | 150 | 970 | 2030 | 1030 | 4380 | 150 |
| XD.10.0902P5 | 901.7 | 1117.6 | 82.55 | 3.5 | 110 | 1120 | 2580 | 1220 | 5650 | 185 |
| XD.10.1029P5 | 1028.7 | 1327.5 | 114.3 | 3.5 | 90 | 1940 | 4520 | 2070 | 9850 | 400 |
| XD.10.1549P5 | 1549.4 | 1828.8 | 101.6 | 3.5 | 48 | 1800 | 4970 | 2060 | 11700 | 500 |
| XD.10.1880P5 | 1879.6 | 2197.1 | 101.6 | 6.4 | 32 | 2670 | 8000 | 2900 | 17800 | 675 |
| PSL 912-309 | 330.2 | 457.2 | 63.5 | 4 | 1200 | 100.0 | 195.1 | 123.0 | 376.1 | 36.2 |
| PSL 912-308 | 457.2 | 609.6 | 63.5 | 3.3 | 840 | 141.0 | 304.6 | 178.0 | 518.7 | 58 |
| PSL 912-304 | 580 | 760 | 80 | 8 | 630 | 215.0 | 473.3 | 234.0 | 782.9 | 106 |
| PSL 912-305 | 685.8 | 914.4 | 79.375 | 5 | 500 | 270.0 | 646.7 | 343.0 | 1238.6 | 154 |
| PSL 912-306 | 901.7 | 1117.6 | 82.55 | 5 | 350 | 300.0 | 792.3 | 395.0 | 1600.0 | 204 |
| PSL 912-307 | 1028.7 | 1327.2 | 114.3 | 5 | 280 | 405.0 | 1090.0 | 534.0 | 2163.3 | 408 |
| PSL 912-303 | 1270 | 1524 | 95.25 | 7 | 250 | 462.0 | 1243.5 | 609.0 | 2468.0 | 375 |
| PSL 912-310 | 1879.6 | 2197.1 | 101.6 | 8 | 106 | 516.0 | 1662.4 | 698.0 | 3472.0 | 756 |
| 200XRN28 | 200 | 280 | 30 | 1.5 | 480 | 122 | 284 | 144 | 520 | 6.7 |
| 250XRN35 | 250 | 350 | 40 | 3 | 400 | 139 | 367 | 170 | 680 | 13 |
| 300XRN40 | 300 | 400 | 38 | 3 | 330 | 220 | 532 | 268 | 985 | 12.5 |
| 350XRN47 | 350 | 470 | 50 | 3 | 280 | 233 | 662 | 284 | 1230 | 27 |
| 400XRN55 | 400 | 550 | 60 | 3.5 | 250 | 299 | 1028 | 365 | 1900 | 46.5 |
| 0457XRN060 | 457.2 | 609.6 | 63.5 | 3.3 | 220 | 285 | 851 | 370 | 1670 | 51 |
| 580XRN76 | 580 | 760 | 80 | 6.4 | 170 | 680 | 2048 | 830 | 3800 | 100 |
| 600XRN83 | 600 | 830 | 80 | 3.3 | 160 | 854 | 2340 | 1030 | 4600 | 148 |
| 0685XRN091 | 685.8 | 914.4 | 79.375 | 3.3 | 140 | 839 | 2554 | 1090 | 5000 | 150 |
| 0901XRN112 | 901.7 | 1117.6 | 82.55 | 3.3 | 110 | 803 | 2713 | 1090 | 5650 | 185 |
| 1028XRN132 | 1028.7 | 1327.15 | 114.3 | 3.3 | 90 | 1407 | 4743 | 1830 | 9300 | 430 |

