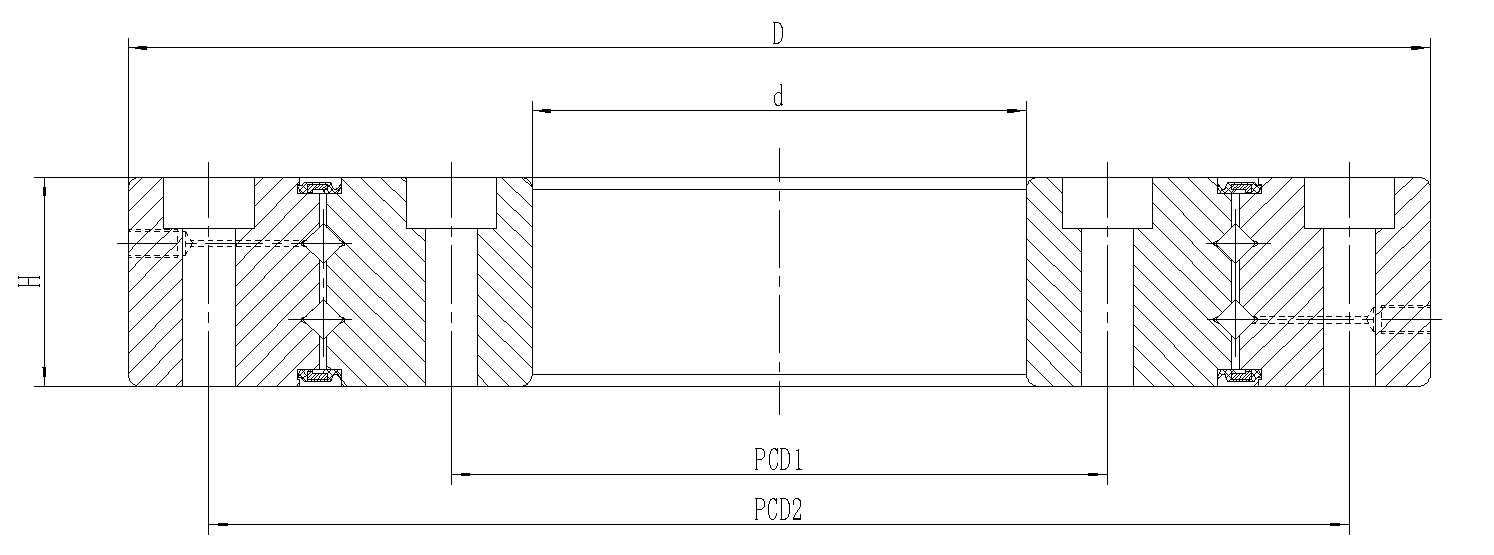
型号列表
(表格显示不全的话,可左右拖动查看)
| 基本型号 | 外形尺寸/mm | 内圈安装孔 | 外圈安装孔 | 额定载荷 | |||||
| d | D | H | PCD1 | 安装孔1 | PCD2 | 安装孔2 | Ca | Coa | |
| RW115 | 80 | 146 | 20 | 93 | 8-φ5.6通 φ10沉孔深5.5 | 133 | 8-φ5.6通 φ10沉孔深5.5 | 13.5 | 27.2 |
| RW145 | 100 | 185 | 20 | 115 | 12-φ5.6通 φ10沉孔深5.5 | 170 | 12-φ5.6通 φ10沉孔深5.5 | 24.6 | 59.3 |
| RW164 | 120 | 210 | 30 | 138 | 12-φ7通 φ11沉孔深6.5 | 192 | 12-φ7通 φ11沉孔深6.5 | 48.6 | 112 |
| RW195 | 150 | 240 | 30 | 168 | 16-φ7通 φ11沉孔深6.5 | 222 | 16-φ7通 φ11沉孔深6.5 | 54.1 | 136 |
| RW228 | 160 | 295 | 35 | 184 | 12-φ11通 φ17.5沉孔深10.8 | 270 | 12-φ11通 φ17.5沉孔深10.8 | 59.3 | 161 |
| RW230 | 180 | 280 | 40 | 200 | 18-φ7通 φ11沉孔深6.5 | 260 | 18-φ7通 φ11沉孔深6.5 | 87 | 215 |
| RW250 | 200 | 300 | 40 | 220 | 20-φ7通 φ11沉孔深6.5 | 280 | 20-φ7通 φ11沉孔深6.5 | 89.7 | 231 |
| RW297 | 210 | 380 | 40 | 240 | 16-φ14通 φ20沉孔深13 | 350 | 16-φ14通 φ20沉孔深13 | 101 | 288 |
| RW323 | 260 | 385 | 50 | 282 | 24-φ9.3通 φ15沉孔深9 | 363 | 24-φ9.3通 φ15沉孔深9 | 168 | 422 |
| RW388 | 325 | 450 | 50 | 347 | 30-φ9.3通 φ15沉孔深9 | 428 | 30-φ9.3通 φ15沉孔深9 | 199 | 558 |
| RW445 | 350 | 540 | 50 | 385 | 24-φ14通 φ20沉孔深13 | 505 | 24-φ14通 φ20沉孔深13 | 216 | 652 |
| RW463 | 395 | 525 | 50 | 418 | 36-φ10通 φ15沉孔深9 | 502 | 36-φ10通 φ15沉孔深9 | 208 | 634 |
| RW530 | 460 | 600 | 50 | 486 | 40-φ10通 φ15沉孔深9 | 574 | 40-φ10通 φ15沉孔深9 | 233 | 771 |
| RW665 | 580 | 750 | 60 | 610 | 32-φ12通 φ18沉孔深11 | 720 | 32-φ12通 φ18沉孔深11 | 334 | 1120 |
| RW760 | 650 | 870 | 60 | 690 | 32-φ14通 φ20沉孔深13 | 830 | 32-φ14通 φ20沉孔深13 | 360 | 1290 |

