型号列表
(表格显示不全的话,可左右拖动查看)
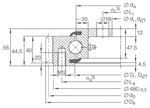
| 基本型号 | 外形尺寸/mm | 安装孔 | 齿参数 | 重量 Kg | |||||||
| Da | di | Di | da | La | na | Li | ni | m | z | ||
| VLA200414 | 503.3 | 304 | 415.5 | 412.5 | 455 | 10 | 332 | 12 | 5 | 99 | 29.5 |
| VLA200544 | 640.3 | 434 | 545.5 | 542.5 | 585 | 14 | 462 | 14 | 6 | 105 | 41.5 |
| VLA200644 | 742.3 | 534 | 645.5 | 642.5 | 685 | 16 | 562 | 16 | 6 | 122 | 48.5 |
| VLA200744 | 838.1 | 634 | 745.5 | 742.5 | 785 | 18 | 662 | 16 | 6 | 138 | 54.5 |
| VLA200844 | 950.1 | 734 | 845.5 | 842.5 | 885 | 18 | 762 | 18 | 8 | 117 | 65.5 |
| VLA200944 | 1046.1 | 834 | 945.5 | 942.5 | 985 | 20 | 862 | 20 | 8 | 129 | 71.5 |
| VLA201094 | 1198.1 | 984 | 1095.5 | 1092.5 | 1135 | 22 | 1012 | 20 | 8 | 148 | 83.5 |

