淘宝店铺

官方咨询热线:
157-9327-4641

交叉滚子轴承

专注精密传动,助推国产替代
当前位置:首页 > 产品中心 > 交叉滚子轴承

产品中心Product

交叉滚子轴承

CRBF交叉滚子轴承(整体,带安装孔)

分类:交叉滚子轴承

卖点:高精度,高承载,高刚性

优势:能同时承受轴向力、径向力和倾覆力矩

产品特性:内圈分体,适用于外圈旋转,对刚度和精度要求高的场合。

联系电话:157-9327-4641(微信同号) 在线留言联系我们

型号列表

(表格显示不全的话,可左右拖动查看)

公称
型号
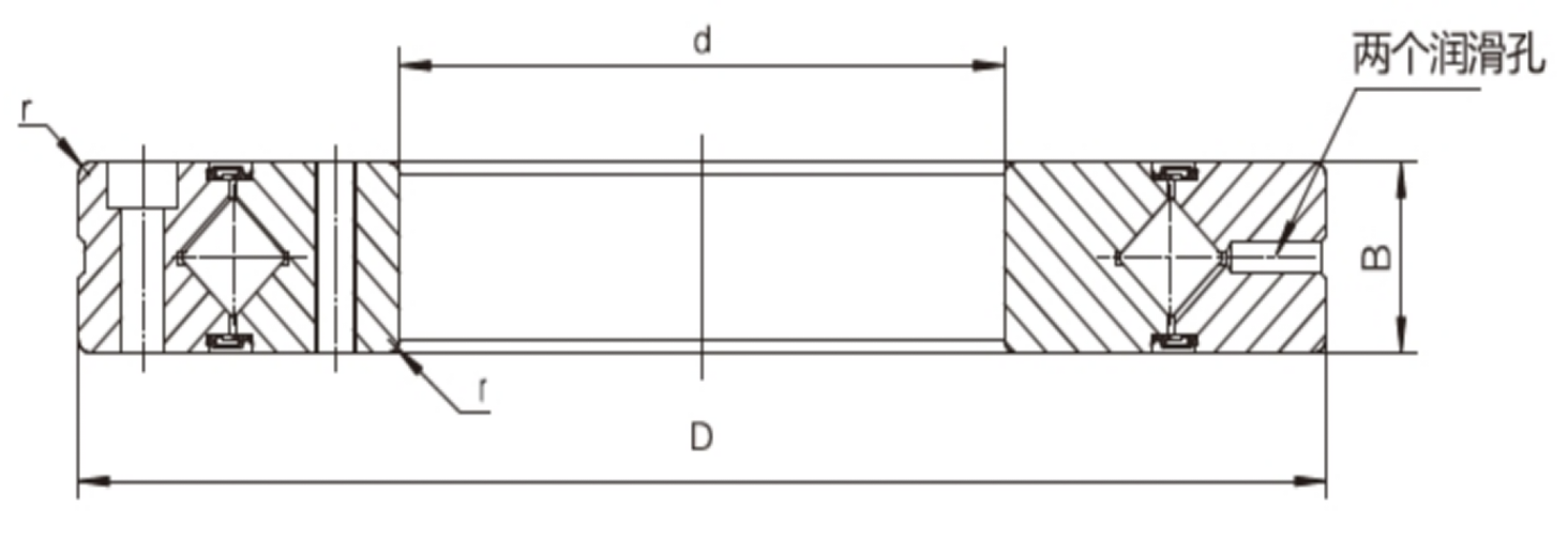
主要尺寸安装孔相关尺寸基本额定载荷重量
内径外径宽度内圈外圈CrCor
dDBPCD1安装孔PCD2安装孔KNKNkg
CRBF108ATUU10528164-M3贯通426-φ3.4通孔φ6.5沉孔深度3.32.912.430.12
CRBF2012ATUU207012286-M3贯通576-φ3.4通孔φ6.5沉孔深度3.37.68.370.31
CRBF2512ATUU258012356-M3贯通676-φ3.4通孔φ6.5沉孔深度3.38.6110.60.4
CRBF3515ATUU359515458-M4贯通838-φ4.5通孔φ8沉孔深度4.417.320.90.66
CRBF5515ATUU5512015658-M5贯通1058-φ5.5通孔φ9.5沉孔深度5.420.127.70.96
CRBF8022ATUU80165229710-M5贯通14810-φ5.5通孔,沉孔φ9.5深5.451.1722.63
CRBF8022AUU80165229710-φ5.5通孔,沉孔φ9.5深5.414810-φ5.5通孔,沉孔φ9.5深5.451.1722.6
CRBF8022ADUU80165229710-φ5.5通孔,沉孔φ9.5深5.414810-φ5.5通孔,沉孔φ9.5深5.451.1722.6


157-9327-4641