型号列表
(表格显示不全的话,可左右拖动查看)
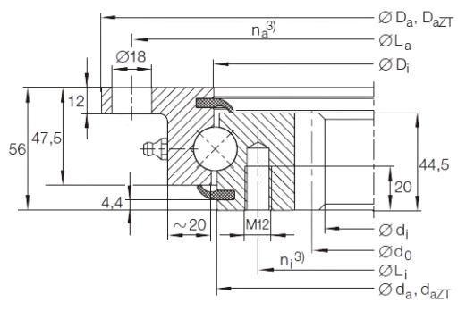
| 基本型号 | 外形尺寸/mm | 安装孔 | 齿参数 | 重量 Kg | |||||||
| Da | di | Di | da | La | na | Li | ni | m | z | ||
| VLI200414 | 518 | 325 | 415.5 | 412.5 | 490 | 8 | 375 | 12 | 5 | 67 | 27.5 |
| VLI200544 | 648 | 444 | 545.5 | 542.5 | 620 | 10 | 505 | 16 | 6 | 76 | 38 |
| VLI200644 | 748 | 546 | 645.5 | 642.5 | 720 | 12 | 605 | 18 | 6 | 93 | 45 |
| VLI200744 | 848 | 648 | 745.5 | 742.5 | 820 | 12 | 705 | 20 | 6 | 110 | 51.5 |
| VLI200844 | 948 | 736 | 845.5 | 842.5 | 920 | 14 | 805 | 20 | 8 | 94 | 61.5 |
| VLI200944 | 1048 | 840 | 945.5 | 942.5 | 1020 | 16 | 905 | 22 | 8 | 107 | 67.5 |
| VLI201094 | 1198 | 984 | 1095.5 | 1092.5 | 1170 | 16 | 1055 | 24 | 8 | 125 | 81.5 |

